来源:文章转载自期刊《微纳电子与智能制造》,作者:周治平,杨丰赫,陈睿轩,朱科建,许鹏飞,孙鹏斐,谢谢。
摘 要
在以大数据为基础的现代信息社会,硅基光电子已经成为最具潜力的高效率、低成本片上解决方案。它的优势来源于成熟微电子技术和宽带光电子技术在微纳范畴内的有机结合。近年来,社会各界对这门学科的兴趣呈指数性增长。其应用也从最初的微电子扩展到通信、计算、传感、人工智能,乃至消费领域。揭示了硅基光电子发展的最初动机和挑战,评述当前的研发进展,并讨论其巨大的应用价值。希望以此推动微电子与光电子业界的进一步深度合作,使这个高效率、低成本的片上解决方案早日进入现代人的日常生活。
最初动机和挑战
近50年来,微电子学一直是现代信息社会发展的驱动力。微电子芯片的发展遵从摩尔定律,即平均每18~24个月,其性能提升一倍,或者价格下降一半,以更大的集成度获得更高的信息处理性能。但近年来,微电子芯片的微缩周期因受到物理、技术、经济各方面的限制而逐渐变慢,摩尔定律面临失效。到2020年,微电子技术可能从当前5nm工艺节点提升至2~3nm节点,然而在2~3nm尺度下可容纳原子数量不到15个,由于量子效应的影响加剧,晶体管的不可靠性显著增加,严重阻碍了微电子技术的进一步发展。但是,现代社会对信息高速处理的需求却并未因微电子技术的滞后而降低,信息拥堵问题成为最先凸显出的矛盾。以多核处理器和三维存储相关的半导体技术为例,随着先进系统的进一步升级,三维存储技术迫切需要越来越高的传输速度。传统的电子信息互连架构主要是通过铜介质进行电子传导实现的,这种架构的信息传输速度和距离受限于RC时间常数以及电学损耗,所需铜线的直径将随着传输速度和传输距离的增加而显著增加,当进行100km、10Gbps电学信号的传输时,所需的铜线直径将达到惊人的200m[1],因此基本无法使用,信息拥堵问题就此产生。
为了解决信息拥堵问题,人们注意到了另一种信息载体——光子。光子作为信息传递的载体,相比电子,具有稳定可控的调制和复用维度,如振幅、相位、波长、偏振态、模式等,具有更大的带宽、更高的频谱利用率和通信容量。而硅基光电子学正是探讨微米/纳米级光子、电子、及光电子器件的新颖工作原理,并使用与硅基集成电路技术兼容的技术和方法,将它们集成在同一硅衬底上的一门科学[2]。利用硅基光电子技术有望实现微电子器件和光电子器件的大规模集成和超低功耗特性,从而获得性能优越的硅基光电子芯片,是解决传统微电子学所面临信息拥堵问题的有效方法。
硅基光电子技术诞生伊始主要用于解决芯片内光互连的问题,并逐渐扩展到通信以及数据中心等领域。与传统微电子技术相比,硅基光电子技术不仅继承了微电子方面尺寸小、耗电少、成本低、集成度高等特点,也集成了来自于光电子的多通道、大带宽、高速率、高密度等优点。硅基光电子技术发展至今,得益于大容量数据通信场景的日益增加以及新需求、新应用的出现,已逐渐从学术研究驱动转变为市场需求驱动。在硅基光电子芯片上,可集成信息吞吐所需的各种光子、电子、光电子器件,包括光波导、调制器和探测器和晶体管集成电路等[3-5],硅基光电子的学科/技术体系已基本建立。
硅材料是制备微电子芯片的最佳材料,具备良好的电学特性,但其在光电特性方面的“先天不足”使得硅基光电子技术在低能耗和大规模集成方面面临一定的挑战。
1.能耗
(1)单晶硅作为间接带隙的半导体材料,难以实现受激光子辐射。因此,实现低能耗、低阈值的硅基片上激光光源,往往需要考虑多种材料的异质集成。
(2)硅单晶具有良好的晶格对称性,其线性电光效应为零,不利于线性、低能耗的片上信号调制和信息加载。
(3)硅的禁带宽度为1.205eV,对应的光谱响应截止波长约为1100nm,无法高效地探测1.1~12μm通信和传感波段的光波。
(4)硅的热光系数,比氮化硅、氧化硅等无源材料大1个数量级(室温下约为1.85×10-4K-1)。环境温度变化和芯片热量堆积对硅基光电器件的性能影响较为明显,而温控将增大芯片的能耗。
2.大规模集成
由于“衍射受限”,传统光电子器件的尺寸往往是微米,甚至毫米量级,很难达到纳米级别。由此导致的占地面积大和难以与微电子器件高效耦合/对接两大问题,使得硅基光电子芯片的集成度目前还无法与微电子芯片相比拟。
然而,随着硅基光电子学在学术研究上的深入探讨和在产业技术上的不断革新,硅材料的局限性也被一一突破。如选用适宜的光源材料,实现低阈值高效率的硅基片上光源;通过热不敏感的器件设计,降低甚至消除温控能耗;通过混合表面等离子体器件,来缩小光电子器件的尺寸,实现大规模的片上集成等。未来,硅基光电子技术将会在学术界和产业界的共同推动下,日趋成熟。
当前的研发现状
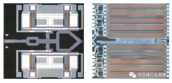
在大数据、云计算、物联网等新一代通信需求的推动下,硅基光电子技术得到了长足的发展,并以光电子与微电子的深度交融为标志开启了后摩尔时代。为了进一步突破硅材料的局限性,将硅基光电子技术应用到更为广泛的信息技术领域,当前的研究重点开始集中到大规模集成和低能耗系统两个领域。在大规模集成方面,应用于大容量数据通信的硅基光电收发芯片是目前研究程度最深、应用最广泛的硅基光电子芯片之一。图1为2014年北京大学周治平课题组研制出的100Gbps硅基光电收发芯片[6],填补了国内在该领域的空白。该芯片在几平方毫米面积上,实现了偏振分束器、光栅、耦合器、光混频器、调制器和探测器等数十个光电器件的系统集成,并实现了100Gbps数据的调制发射和相干接收,信号传输100km后误码率可实现优于10-5量级。
图1. 100Gbps硅基光电收发芯片
2018年,麻省理工学院的Ram课题组探索了两种与CMOS工艺兼容的光电单片集成平台。第一种是在不改变CMOS工艺步骤的条件下,首次实现了硅基光电子器件与45nm和32nmSOI微电子器件的单片集成。该系统包含超过7千万个微电子器件与850个光电子器件,并实现了单一芯片内部CPU与存储器之间的光互连和数据传输,在高性能计算、数据中心等领域具有广阔的应用前景。第二种是CMOS体硅集成平台。考虑到SOI晶片本身的成本以及微电子芯片巨头(英特尔、三星等)的工艺平台,体硅晶片在成本以及应用场景方面更具竞争力。如图2所示,利用多晶硅材料,可将波导、微环调制器、探测器同时集成在一起,能够充分发挥硅基光电子集成的优势,极大降低硅基光电子芯片的制造成本[7]。
图2.基于体硅晶圆的硅基光电子集成芯片
除了集成工艺平台的探索,稳定可靠的片上光源可以拓宽硅基光电子芯片的应用领域,当前主要的硅基片上光源实现方案分为3类,包括掺铒硅光源、锗硅IV族光源和硅基III-V族光源[8]。尽管掺有铒元素的硅很早就被观察到1.53μm波长处的光致发光现象,但发光效率低,存在严重的温度淬灭现象,无法达到实用要求。因此,人们转而研究利用掺铒(富硅)氮化硅较好的发光性能来实现低开启电压的电泵浦光源。北京大学周治平课题组[9-10]通过实验验证了额外掺入镱元素对掺铒硅发光效率的提升,并利用铒镱硅酸盐实现了在1.2mA/cm2电流密度下1.53μm波长的电致发光[11]。锗硅激光器主要通过能级改造来实现高效发光[12],实现方式上通常采用n型掺杂[13],应力拉伸[14]以及GeSn合金[15],首个电泵浦的锗硅激光器发表于2011年[16],相比III-V族材料,锗材料具有随温度升高的发光效率,未饱和条件下电注入与发光功率之间的超线性关系以及大增益谱等优势,但依然面临着高阈值电流和较低的发光效率的问题。III-V外延生长的硅基量子点激光器主要以InAs/GaAs作为工作物质。相比传统的量子阱激光器,量子点激光器具有阈值电流低、温度特性好的特点,适用于高温的工作环境,满足低功耗、高密度、大规模数据通信短距互联的需求。这种激光器的工作性能(阈值电流、斜率效率)取决于生长材料的好坏。由于IV族硅和III-V族材料之间具有较大的晶格常数差异、不同的热膨胀系数以及不同的极性,这就导致在硅上直接生长III-V族材料会引入大量的位错,这些位错宏观上表现为III-V材料中出现断层或开裂,从微观上表现为在激光器有源区引入大量的非辐射中心,导致发光效率低下,阈值电流的提高。因此,硅基上外延生长量子点激光器的发展中心主要围绕提高III-V材料质量展开,量子点既作为激光器的高效发光中心,又被用于缓冲层中减少位错密度。伦敦大学学院的Liu课题组[17]最先实现硅衬底上直接生长的O波段量子点激光器,随后首次报道了在室温连续工作模式下超过3100h的超低阈值量子点激光器[18]。加州大学圣芭芭拉分校的Bowers课题组[19]报道了连续光工作模式下阈值电流只有36mA的硅基量子点激光器。东京大学的Arakawa课题组[20]最近也在硅(001)晶面外延生长高质量的InAs/GaAs量子点激光器。尽管硅基外延生长的量子点激光器是目前最有希望实现单片集成的硅基片上光源的重要方式,但依然面临着缓冲层太厚与波导耦合困难的问题。
此外,利用金属表面等离激元对光场限制能力强的特点,可以极大地缩小光电器件的尺寸,有利于硅基光电子的大规模集成。表面等离子体纳米尺度的光场限制能力以及天然的偏振敏感性,非常适用于硅基混合表面等离子体片上偏振复用器件及系统的研究与实现[21-22],从而解决传统的硅基偏振复用系统尺寸过大和偏振分离度不高的问题。如图3(a)所示为硅基混合表面等离子体偏振复用系统的示意图,其中的关键器件包括TE/TM起偏器(polarizer)、偏振旋转器(rotator)和偏振分束器(polarization beam splitter)等。入射光首先通过偏振分束器,将TE和TM模式各自分开为两路。对于TM模式,经过90°的偏振旋转器后,被旋转成了TE模式,以及为了进一步提高消光度,可以再经过TE起偏器,以滤除残留的TM偏振。两路光在经过了对称的集成光电器件后,将原本的TE模式经过90°的偏振旋转器,旋转成为TM模式,以及同样为了进一步提高消光度,可以经过再经过TM起偏器,以滤除残留的TE偏振。最终,两路光经过偏振合束器合成一路输出,从而同时完成了对TE和TM两种偏振信号的处理和利用,达到了偏振复用的目的。北京大学周治平课题组[23-31]在硅基混合表面等离子体偏振复用系统中开展了丰富的研究工作。在偏振旋转器的研究方面,理论设计并实验加工了一种片上混合表面等离子体的偏振旋转器[25],如图3(b)所示。实验测得,该偏振旋转器在仅仅2.5μm的长度下实现了99.2%的偏振旋转效率。在起偏器方面,实现了一种TE通过型的硅基混合表面等离子体的起偏器[31],如图3(c)所示,在1.52~1.58μm的波长范围内,实验测得消光比高达24~33.7dB,而器件长度仅仅为6μm。相比于传统介质材料的偏振旋转器和起偏器,利用混合表面等离子体器件的尺寸要紧凑很多[23]。

图3. 硅基混合表面等离子体片上偏振复用器件及系统
硅材料热光系数大的特点导致硅基光波导系统对周围温度环境的变化极为敏感,这对诸如硅基片上波分复用系统的工作波长将造成极大的影响,通常需要额外的温控管理来稳定工作状态。如图(4d)所示,利用非对称MMI实现的任意分束比1×2光功率分束器能够作为片上监测单元为控制系统提供反馈。为降低温控额外引入的能耗,可以通过设计温度不敏感的片上滤波器来实现。北京大学周治平课题组[32-34]针对常见的3种温度不敏感滤波器都进行了研究,包括微环型、马赫-曾德干涉型和阵列波导光栅型。微环型滤波器可以利用双环耦合谐振谱分裂的现象来抵消热光效应引起的波长漂移,避免使用与CMOS工艺不兼容的负热光系数材料[35]。马赫-曾德型滤波器采用两种具有不同有效折射率的波导作为马赫-曾德干涉器的两臂可以实现温度不敏感特性[36-37]。利用有效热光系数差更大的条形波导与沟道浅刻蚀型波导,结合多级级联的马赫-曾德干涉结构,实现器件尺寸更紧凑的温度不敏感平顶滤波器,如图4(a)[38-39]所示,为了克服条形波导与沟道浅刻蚀波导模式失配问题,同时提出了一种条形波导与沟道浅刻蚀波导的模式转换器,如图4(c)[40-42]所示。阵列波导光栅型滤波器以往的设计存在所用材料与CMOS工艺不兼容,特征尺寸小等问题,借鉴马赫-曾德型滤波器两臂采用不同类型波导的做法,可以实现温度不敏感的阵列波导光栅性滤波器,如图4(b)[43]所示,并设计了任意比例作为片上监测单元为控制系统提供反馈[44-45]。


图4. 不同的温度控制方法
片上能耗的重要来源还包括调制器的调制能耗。由于硅材料不具备线性电光效应,因此硅中进行高速调制需要用到自由载流子色散效应。依据该效应,Intel公司和康奈尔大学2004年和2005年分别在《自然》杂志上报道了微环谐振腔调制器和马赫增德调制器,将硅基调制速率提升至1Gbps以上,此后50Gbps以上调制速度的硅基电光调制器相继出现。然而,自由载流子色散效应在提升调制器速率的同时,由于调制效率受限,因此导致了巨大的调制能耗。采用微环谐振腔的调制器虽然提升了调制效率,从而降低驱动电压和调制能耗,但是谐振腔对温度过于敏感,20℃的温度改变量可以产生1nm左右的谐振波长改变量,而为了减少温度的影响,每比特需要皮焦量级的热调谐能量来补偿温度影响,整体运转能耗巨大。马赫增德调制器虽然对温度不敏感,但调制效率较低,每比特调制能耗一般高达几百飞焦[46]。在这个能耗量级下,光互连架构的优势将很难与传统电互连架构竞争。为了降低调制器能耗,北京大学周治平课题组[47]于2017年提出了一种集总式马赫增德调制器结构,并建立了完整的电光理论分析模型,通过优化电极结构和载流子掺杂结构,可以将马赫增德调制器的能耗降低至80.8fJ/bit(50Ω标准微波线缆驱动)和21.5fJ/bi(t10Ω集成驱动电路),同时调制速度可达50Gbps,这使得基于硅基光电子技术的光互连架构有望媲美、超越传统电互连架构,如图5所示。
图5. 低能耗调制器结构和性能
巨大的应用价值
硅基光电子技术以其集成度高、尺寸小、与微电子工艺相兼容等优势,在数据中心、通信、自动驾驶、传感、高性能计算和人工智能等各个领域彰显出巨大应用价值,如图6所示。
图6. 硅基光电子技术应用领域
随着云计算、大数据等新业务的发展,数据中心内的流量出现了爆炸式增长,网络拥堵和延迟等问题的出现使得“光进铜退”成为必然趋势。当前基于100G光模块的光互连架构已经在数据中心全面铺开,IEEE P802.3bs 400GbE标准也已发布,基于200G/400G光模块的光互连架构已经开始布局。为了同时满足数据中心对光模块成本和性能的要求,当前光模块发展的趋势是不断增大集成度,在材料面积和材料功能之间取得更优利用率。硅基光电子技术与微电子工艺有很好的兼容性,因此可以大大提高集成度和成本效益,而且子系统的高集成度可为整体光互连网络提供更高的稳定性和更低的功耗,这使得基于硅基光电子技术的光模块成为通信、数据中心的最佳解决方案,如图7所示。从2012年Cisco第一次在商用CPAK100G光模块中使用硅基光电子引擎,到2016年Luxtera、Intel公司QSFP28硅光模块投放市场,再到2019年Intel、Macom等公布400GDR4、FR4等硅光模块,硅基光电子技术在100G数据中心光互连架构中的应用价值已得到充分证明,并逐步布局于未来400G光通信市场中。
图7. 基于硅基光电子技术的光收发模块
在通信领域,硅基光电子技术以其高集成度和精确、高效的相位调制特性,非常适合实现相干调制解调功能,可应用于通信城域骨干网远距离通信,Acacia、Elenion、Inphi、Macom等均推出了硅光相干芯片,Acacia和Macom等已经向通信客户实现硅光相干模块的量产出货。而随着5G规模商用的临近,光模块将在通信领域迎来崭新的应用场景。根据CIR预测,到2022年,全程5G回程开支将超20亿美元,光网络行业将是5G回程建设的主要受益者。由于5G宏基站数量的增多,因此光模块需求总量将是4G时代的3~6倍,预计仅5G前传就有约5000万只25G/50G光模块的需求,在需求量的驱动下,基于微电子工艺的硅基光电子技术将充分发挥成本优势。同时,硅基光电子技术也可以有效满足5G对传输速率,超低延时、高稳定性的要求。2018年,Intel宣布将其100G硅光收发模块[48]产品扩展到数据中心之外,并公布了应用于5G和物联网(IoT)的新型硅基光电子产品的细节。5G在成本和技术上的诉求,将为硅基光电子技术的应用带来新的转折点。
硅基光电子技术也获得了高性能计算和人工智能领域的极大关注。在高性能计算领域,能耗和信息读取速度成为制约高性能计算发展的两大因素。按照现在技术发展,未来每秒进行百亿亿次数学运算的高性能计算系统全年用电量将达到40亿千瓦时以上,同时在处理器和内存之间、处理器之间的信息读取速度严重滞后于处理器运算速度,导致处理器计算性能只能发挥至20%以下。受电子自身物理极限的制约,传统减小芯片特征尺寸不能有效解决以上问题。与电子比较,光子具有传输速度高、可并行、带宽大以及低功耗等特点,因此,利用硅基光电子芯片进行信息交互与计算是突破高性能计算发展展瓶颈的一个关键。2015年,加利福尼亚大学和麻省理工学院报道了首个光电一体处理器,迈出了硅基光电子技术在高性能计算领域应用的第一步[49]。如图8(a)[48]所示,基于硅基光电子技术,在一块芯片上同时制备了7千万个微电子器件与850个电子器件,通过光子在计算和存储单元之间进行了高速通信。在此基础上,2018年又成功实现了10Gbps通信速度并融合了波分复用技术[7]。此外,硅基光电子技术也为人工智能领域提供了新的发展思路。利用光学结构制备面向深度学习应用的硅基光电子人工智能芯片于2017年被正式提出,有望实现高速、低能耗的推理和训练过程

2020-04-16 20:50:11