【嘉德点评】华为发明的射频通路除了可以满足六种CA技术之外,还支持FDD+TDD频带间CA射频信号技术,通过功分器将接收到的射频信号分为两路,两路信号传送到四个滤波器中,使得该射频通路可以支持多种组合的CA技术,提高了射频通路的灵活性。
集微网消息,华为P40系列新机发布后引发很多讨论,根据拆解发现,华为P40的元器件主要采购自中国大陆、中国台湾地区、韩国、日本等地,不过,射频前端(RF)模组中依然出现了Skyworks、Qorvo、高通这些美国企业的产品身影。
射频前端是射频收发器和天线之间的一系列组件,主要包括功率放大器(PA)、天线开关、滤波器、双工器和低噪声放大器(LNA)等,直接影响着手机的信号收发,而射频前端需要支持载波聚合(CA)技术。
根据双工方式的不同,LTE分为频分双工(FDD)和时分双工(TDD)两种类型。根据终端使用的载波组合方式不同,载波聚合分为带内连续CA、带内非连续CA和频带间CA三种类型,不同类型的CA有各自的适用场景。FDD模式和TDD模式下均包括三种不同的CA类型,因此,FDD模式下和TDD模式下共六种CA需使用不同的射频前端硬件架构实现。
通常手机等设备要求终端能够同时支持六种CA技术,然而现有的手机中不能同时很好的支持六种乃至更多可能存在组合的CA技术,其设计不够灵活。
为了解决这个问题,华为在14年2月27日申请了一项名为“射频通路”的发明专利(申请号:201410069708.2),申请人为华为技术有限公司。
根据目前公开的专利资料,让我们一起来看看这项射频技术吧。
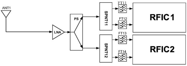
如上图为射频通路的结构示意图,它可以为主集接收通路或者分集接收通路,主集接收主要功能为将主集天线接收的射频信号解调为模拟基带信号,分集接收主要功能为将分集天线接收的射频信号解调为模拟基带信号。
该射频通路包括第一天线(ANT1)、低噪声放大器(LNA)、功分器(PS)、两个第一单刀多掷开关(SPNT11和SPNT12)、四个第一滤波器(FT11、FT12、FT13和FT14)和两个第一无线射频芯片(RFIC1和RFIC2)。
那么这些器件的功能都分别是什么呢?天线接收时从无线信道中接收射频信号,发射时将射频信号辐射到无线信道中;低噪声放大器可以放大接收的射频信号的功率,降低射频通路的噪声系数,提高接收灵敏度指标;功分器将射频信号的功率平均分为两路;功率放大器可以放大射频信号功率;无线射频集成电路可以根据RFIC内部寄存器配置的不同,将射频信号变为模拟基带信号或将模拟基带信号变为射频信号。
其中四个滤波器都分别对应一个滤波频段,天线接收到射频信号后,就将射频信号传输到低噪声放大器中,低噪声放大器可以放大这种射频信号,经过放大后的射频信号会传输到功分器,功分器将射频信号分为两路并且将两路信号分别传输到两个单刀多掷开关。
单刀多掷开关就相当于是控制射频信号的通断,如果通过的就将射频信号通过到滤波器中,滤波器将会对接收到的射频信号进行滤波,最后经过这样处理信号就会来到无线射频芯片中,芯片会对信号进行解调。
除了射频通路以外,还有接收通路,这两个通路就构成了射频前端,射频前端是靠近天线部分的设备,如上图所示为射频前端的结构示意图,其目的是保证有用的射频信号能完整不失真地从空间拾取出来并输送给后级的变频、中频放大等电路。
射频前端是指在通讯系统中,天线和中频(或基带)电路之间的部分。在这一段里信号以射频形式传输。对于无线接收机来说,射频前端通常包括:放大器,滤波器,变频器以及一些射频连接和匹配电路。
如上图所示,该射频前端包括主集接收通路PRX,分集接收通路DRX以及发射通路TX。其中,主集接收通路PRX和发射通路TX通过环形器CL连接,分集接收通路DRX的结构与我们上面介绍过的射频通路的结构类似。
以上就是华为发明的射频通路,这样的射频通路除了可以满足六种CA技术之外,还支持FDD+TDD频带间CA射频信号技术,通过功分器将接收到的射频信号分为两路,两路信号传送到四个滤波器中,使得该射频通路可以支持多种组合的CA技术,提高了射频通路的灵活性。

2020-05-05 20:12:15